Angular Contact Ball Bearing
Outer Diameter: 190-1750mm, Weight: 1.32-1600kg
2. Structures: Separable, Nonseparable
3. Type: 70000,6000
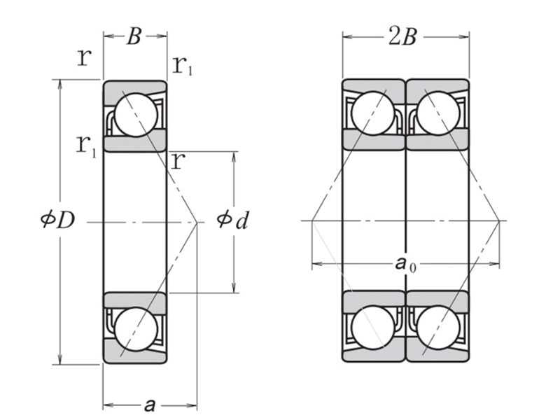
4. Feature:The single row angular contact bearings can support the axial load in one specific direction. Its axial loading capacity depends on the contact angle α. The bigger the contact angle is, the higher its axial bearing capacity is. The typical contact angle is 15°, 25°, and 40°.
5. Cage:Metal solid cages are mainly used in single row angular contact ball bearings. Phenolic cloth laminated tube solid cages are usually used for high speed applications, and the maximum temperature is 120°C.
6. Material: GCr15/GCr15SiMn/G20Cr2Ni4A
What is an Angular Contact Ball Bearing?
Angular Contact Ball Bearings are precision-engineered components designed to handle both radial and axial loads. Unlike standard bearings, these specialized bearings have a contact angle between the balls and the raceway, allowing them to support loads in one direction more effectively. This unique design makes it particularly useful in high-speed applications where stability and precision are critical.

CHG Bearing: Your Trusted Angular Contact Ball Bearing Manufacturer
At CHG Bearing, we pride ourselves on being a leading manufacturer and supplier of high-quality Angular Contact Ball Bearings. With over 30 years of experience in the bearing industry, we have established ourselves as a reliable partner for companies across the metallurgical and mining sectors. Our commitment to innovation is reflected in our portfolio of over 50 invention patents, and our adherence to the ISO9001 quality management system and ISO14001 environmental management system ensures that our products meet the highest standards.
We offer customization services to meet the unique needs of different working conditions, ensuring that our bearings provide optimal performance in even the most challenging environments. Our expertise is trusted by many large companies, and we are dedicated to providing solutions that drive efficiency and reliability in your operations.
For more information, feel free to contact us at sale@chg-bearing.com.
 
Technical Specifications
| Specification | Details | 
|---|---|
| Bearing Type | Angular Contact Ball Bearing | 
| Contact Angle | 15°, 25°, 30°, 40° | 
| Material | High-grade steel, Ceramic options available | 
| Load Capacity | Customizable based on application | 
| Lubrication | Grease, Oil, or Solid lubrication | 
| Temperature Range | -30°C to 150°C | 
| Precision Rating | P0, P6, P5, P4, P2 | 
Angular Contact Ball Bearing Benefits
- High Precision: Designed to offer superior precision, ensuring smooth operation and reduced vibration in machinery.
- Load Capacity: Capable of handling both radial and axial loads, making them ideal for complex machinery.
- Durability: Made from high-quality materials that resist wear and tear, even in harsh operating conditions.
- Versatility: Available in various configurations to suit different applications, including high-speed and high-temperature environments.
Applications
Angular Contact Ball Bearings are widely used in industries such as:
- Metallurgy: Essential in equipment like blast furnaces, rolling mills, and steelmaking machinery.
- Mining: Used in jaw crushers, impact crushers, and vibrating screens, where they must withstand high loads and challenging environments.
- Machine Tools: Provides precision and stability in high-speed spindles and other machine tool applications.
- Aerospace: Ensures reliability and performance in critical flight systems.
Installation Guide
Proper installation of it is crucial for optimal performance. Here’s a step-by-step guide:
- Preparation: Ensure that the housing and shaft are clean and free from debris.
- Alignment: Carefully align the bearing to prevent any misalignment during installation.
- Mounting: Use appropriate tools to press or slide the bearing onto the shaft, applying even pressure to avoid damage.
- Lubrication: Apply the recommended lubricant, ensuring it covers all contact surfaces.
- Testing: After installation, rotate the shaft to ensure smooth operation and check for any unusual noises or resistance.
Maintenance and Care
To prolong the life of your Angular Contact Ball Bearings, regular maintenance is essential:
- Lubrication: Regularly check and replenish the lubricant to prevent wear and overheating.
- Inspection: Periodically inspect the bearings for signs of wear, corrosion, or damage.
- Cleaning: Keep the surrounding area clean to avoid contamination, which can lead to premature bearing failure.
- Replacement: If any issues are detected during inspection, replace the bearings promptly to avoid damage to other components.
FAQ
Q: What contact angle should I choose for my application?
A: The choice of contact angle depends on the load direction and magnitude. For higher axial loads, a larger contact angle is recommended.
Q: Can it be used in pairs?
A: Yes, they are often used in pairs or sets to accommodate both radial and axial loads in different directions.
Q: What materials are available for these bearings?
A: We offer bearings made from high-grade steel, with ceramic options available for specific applications.
Q: How do I ensure the longest possible lifespan for my bearings?
A: Proper installation, regular maintenance, and using the correct lubricant are key factors in extending the lifespan of your bearings.
Q: Can you customize bearings for specific needs?
A: Absolutely. We provide customized solutions to meet the unique demands of your equipment and working conditions.
Customer Reviews
"The Angular Contact Ball Bearings from CHG Bearing have been a game-changer for our rolling mill operations. Their durability and precision have significantly reduced downtime." - John D., Production Manager
"We appreciate CHG Bearing’s ability to customize bearings for our mining equipment. Their products are reliable, and the customer service is excellent." - Emily R., Technical Engineer
Contact Us
For inquiries, technical support, or to place an order, please contact us at sale@chg-bearing.com. Our team is here to help you find the perfect bearing solution for your needs.
YOU MAY LIKE
 VIEW MOREBall Bearing Single Row Deep Groove VIEW MOREBall Bearing Single Row Deep Groove
 VIEW MORESingle-Direction Angular Contact Thrust Ball Bearing VIEW MORESingle-Direction Angular Contact Thrust Ball Bearing
 VIEW MOREAngular Contact Ball Bearings VIEW MOREAngular Contact Ball Bearings
 VIEW MOREDeep Groove Ball Bearing VIEW MOREDeep Groove Ball Bearing
 VIEW MORESingle Row Thrust Ball Bearing VIEW MORESingle Row Thrust Ball Bearing
 VIEW MOREAxial Ball Thrust Bearing VIEW MOREAxial Ball Thrust Bearing
 VIEW MORELarge Thrust Ball Bearing VIEW MORELarge Thrust Ball Bearing
 VIEW MORE4 Point Angular Contact Ball Bearing VIEW MORE4 Point Angular Contact Ball Bearing


