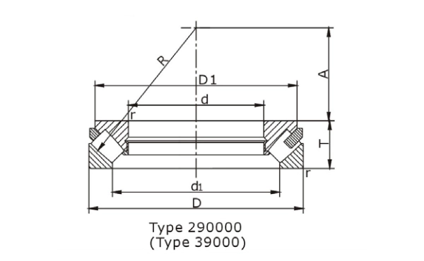
Spherical Roller Thrust Bearings
Spherical roller thrust bearings usually adopt steel pressed cages or machined solid cages.They are mainly used in oil rigs, screw propeller shafts of sea-going freighters, helldrivers, gantry cranes, turnplates of large tower cranes ,turnplates of sounding borers,etc.
What is a Spherical Roller Thrust Bearing?
Spherical roller thrust bearing can carry combined loads which is main in axial and axial loads in one direction. Their loading capacity and limiting speed are high, and they can align by themselves when the precision of shafts or housing is not high or there is instalation error.
Structural characteristics: Strong axial loading capacity, self-aligning, the concentricity and shaft deflection have small impacts to the bearing.Different structures have different allowable self-aligning angles. Generally, the self-aligning angle is not more than 3°. If the axial load is higher, the allowable self-aligning angle is smaller.
Spherical roller thrust bearings usually adopt steel pressed cages or machined solid cages. They are mainly used in oil rigs, screw propeller shafts of sea-going freighter, helldrivers, gantry cranes, turnplates of large tower cranes, turnplates of sounding borers, etc.

Why Choose CHG Bearing?
CHG Bearing is a leading manufacturer and supplier of Spherical Roller Thrust Bearings. Here's why you should consider us for your bearing needs:
- Customization and Solutions: We offer tailored solutions for different working conditions, ensuring that our bearings meet your specific requirements.
- Industry Experience: With 30 years of experience in the industry, we've established strong partnerships with numerous large companies.
- Innovation and Certification: Our company holds over 50 invention patents and is certified with ISO9001 for quality management and ISO14001 for environmental management.
Feel free to contact us at sale@chg-bearing.com for more information or to discuss your specific needs.
Technical Specifications

| Specification | Details |
|---|---|
| Type | Spherical Roller Thrust Bearing |
| Inner Diameter | 150-1250mm |
| Outer Diameter | 215-1800mm |
| Weight | 4.7-2770kg |
| Structure | self-aligning, the concentricity |
| Load Capacity | combined loads which is main in axial and axial loads in one direction |
| Material | GCr15/G20Cr2Ni4A |
| Temperature Range | Up to 200°C |
| Sealing | Contact or non-contact options |
| Lubrication | Grease or oil lubrication |
| Certifications | ISO9001, ISO14001 |
Benefits of Spherical Roller Thrust Bearings
- Enhanced Load Capacity: These bearings are designed to handle both high radial and axial loads, which improves the efficiency of your equipment.
- Self-Aligning Capability: The spherical design allows for misalignment, reducing stress on the bearing and extending its life.
- Durability: Built to withstand harsh environments, these bearings offer long service life and reliability.
Applications
Spherical Roller Thrust Bearings are widely used in various industries, including:
- Metallurgical Industry: Supporting large rotating equipment like blast furnaces and rolling mills.
- Mining Machinery: Ideal for equipment such as jaw crushers, impact crushers, and vibrating screens.
- Heavy Machinery: Used in large-scale machinery requiring high load capacity and durability.
Installation Guide
- Preparation: Ensure that the bearing and housing are clean and free from debris.
- Alignment: Align the bearing carefully to avoid any misalignment issues.
- Lubrication: Apply the recommended lubricant to ensure smooth operation.
- Assembly: Install the bearing into its designated housing and secure it properly.
Maintenance and Care
- Regular Inspection: Check for signs of wear, damage, or misalignment regularly.
- Lubrication: Reapply lubricant as needed based on operating conditions.
- Cleaning: Keep the bearing and its surroundings clean to prevent contamination.
FAQ
Q: What makes Spherical Roller Thrust Bearings suitable for heavy loads? A: Their spherical product design allows them to handle both radial and axial loads effectively, making them ideal for heavy-duty applications.
Q: Can Spherical Roller Thrust Bearings handle misalignment? A: Yes, their self-aligning capability helps accommodate misalignment and angular deviations.
Q: What are the common materials used for these bearings? A: They are typically made from high-quality steel or alloy materials to ensure durability and performance.
Customer Reviews
“CHG Bearing’s Spherical Roller Thrust Bearings have been a game-changer for our production equipment. The quality and reliability are top-notch!” – James L., Production Manager
“The customization options provided by CHG Bearing were exactly what we needed for our unique application. Highly recommend!” – Sarah M., Technical Engineer
Contact Us
For more information or to get a quote, please contact us at sale@chg-bearing.com. Our team is here to assist you with your bearing needs and provide you with the best solutions.
This design enhances their ability to handle high radial and thrust loads.By creating a detailed, Spherical Roller Thrust Bearing page like this, you can effectively address the needs and concerns of your target audience, enhance user engagement, and boost your site’s authority.

| Boundary dimensions | Basic load ratings | Designations | Installation dimersion | Mass | Limiting speeds | |||||||||||
| mm | kN | Current | Original | mm | kg | r/min | ||||||||||
| d | d1min | D | D1max | A | T | rmin | Ca | Coa | damin | Damax | ramax | Current | oil | |||
| 150 | 178 | 215 | 208 | 82 | 39 | 1.5 | 367 | 1440 | 29230 | 9039230 | 180 | 193 | 1.5 | 4.7 | - | 1800 |
| 194 | 250 | 240 | 87 | 60 | 2.1 | 777 | 2560 | 29330 | 9039330 | 195 | 219 | 2 | 11 | 950 | 1400 | |
| 214 | 300 | 285 | 92 | 90 | 4 | 1449 | 4590 | 29430 | 9039430 | 220 | 253 | 3 | 28 | 800 | 1100 | |
| 160 | 208 | 270 | 260 | 92 | 67 | 3 | 910 | 3105 | 29332 | 9039332 | 210 | 235 | 2.5 | 14.5 | 850 | 1200 |
| 229 | 320 | 306 | 99 | 95 | 5 | 1610 | 5040 | 29432 | 9039432 | 235 | 270 | 4 | 33.5 | 750 | 1000 | |
| 170 | 216 | 280 | 270 | 96 | 67 | 3 | 945 | 3200 | 29334 | 9039334 | 220 | 245 | 2.5 | 15 | 850 | 1200 |
| 243 | 340 | 324 | 104 | 103 | 5 | 1820 | 5900 | 29434 | 9039434 | 250 | 286 | 4 | 44.5 | 700 | 950 | |
| 180 | 208 | 250 | 243 | 92 | 42 | 1.5 | 445 | 1830 | 29236 | 9039236 | 215 | 227 | 1.5 | 6.4 | - | 1600 |
| 232 | 300 | 290 | 103 | 73 | 3 | 1116 | 3870 | 29336 | 9039336 | 235 | 262 | 2.5 | 19.5 | 800 | 1100 | |
| 255 | 360 | 342 | 110 | 109 | 5 | 2025 | 6600 | 29436 | 9039436 | 265 | 304 | 4 | 52.5 | 670 | 900 | |
| 190 | 226 | 270 | 255 | 103 | 48 | 2 | 518 | 2200 | 29238 | 9039238 | 225 | 243 | 2 | 8.7 | - | 1400 |
| 246 | 320 | 308 | 110 | 78 | 4 | 1260 | 4275 | 29338 | 9039338 | 250 | 280 | 3 | 23.5 | 750 | 1000 | |
| 271 | 380 | 360 | 117 | 115 | 5 | 2230 | 7200 | 29438 | 9039438 | 280 | 321 | 4 | 60.5 | 630 | 850 | |
| 200 | 236 | 280 | 271 | 108 | 48 | 2 | 590 | 2385 | 29240 | 9039240 | 240 | 254 | 2 | 9.3 | - | 1400 |
| 261 | 340 | 325 | 116 | 85 | 4 | 1450 | 4950 | 29340 | 9039340 | 265 | 297 | 3 | 29.5 | 700 | 950 | |
| 286 | 400 | 380 | 122 | 122 | 5 | 2485 | 8100 | 29440 | 9039440 | 295 | 337 | 4 | 72 | 600 | 800 | |
| 220 | 254 | 300 | 292 | 117 | 48 | 2 | 6210 | 2700 | 29244 | 9039244 | 260 | 273 | 2 | 10 | - | 1300 |
| 280 | 360 | 345 | 125 | 85 | 4 | 1560 | 5670 | 29344 | 9039344 | 285 | 316 | 3 | 33.5 | 700 | 950 | |
| 308 | 420 | 400 | 132 | 122 | 6 | 2590 | 8680 | 29444 | 9039444 | 315 | 358 | 5 | 75 | 560 | 750 | |
| 240 | 283 | 340 | 330 | 130 | 60 | 2.1 | 720 | 3100 | 29248 | 9039248 | 290 | 308 | 2 | 16.5 | - | 1100 |
| 300 | 380 | 365 | 135 | 85 | 4 | 1610 | 5890 | 29348 | 9039348 | 135 | 336 | 3 | 35.5 | 670 | 900 | |
| 326 | 440 | 420 | 142 | 122 | 6 | 2690 | 9180 | 29448 | 9039448 | 335 | 378 | 5 | 80 | 560 | 750 | |
| 260 | 302 | 360 | 350 | 139 | 60 | 2.1 | 735 | 3280 | 29252 | 9039252 | 310 | 326 | 2 | 18.5 | - | 1100 |
| 329 | 420 | 405 | 148 | 95 | 5 | 1990 | 7470 | 29352 | 9039352 | 335 | 370 | 4 | 49 | 600 | 800 | |
| 357 | 480 | 460 | 154 | 132 | 6 | 3160 | 11610 | 29452 | 9039452 | 365 | 412 | 5 | 105 | 500 | 670 | |



