The Essential Guide to Angular Contact Ball Bearings for Industrial Applications
Angular contact ball bearings are critical components in industrial machinery, playing a vital role in supporting combined radial and axial loads. This comprehensive guide explores their essential features, applications, and selection criteria for optimal industrial performance. In modern industrial applications, these specialized bearings have become increasingly important due to their unique ability to handle complex loading conditions while maintaining high precision and reliability. Their distinctive design features make them particularly suitable for applications where both radial and axial loads must be accommodated simultaneously, making them indispensable in various industrial sectors from precision machinery to heavy manufacturing equipment.

Professional Expertise and Support
Luoyang Huigong Bearing Technology Co., Ltd. brings unparalleled expertise to the bearing industry with:
- Expert R&D team providing technical guidance
- Customized solutions for various operating conditions
- 30 years of industry experience and partnerships with major enterprises
- Advanced production equipment and testing instruments
- Over 50 invention patents
- ISO9001 quality management system and ISO14001 environmental management system certifications
- 2024 Quality Benchmark Enterprise
With many successful collaborations domestically and internationally, we invite you to learn more about our products by contacting us at sale@chg-bearing.com or calling our hotline at +86-0379-65793878.
What factors influence the load capacity of angular contact ball bearings?
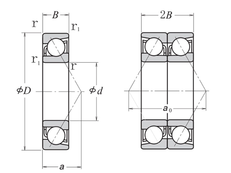
The load-bearing capacity of angular contact ball bearings represents a complex interplay of various design and operational parameters that collectively determine their performance capabilities in industrial applications. The fundamental aspect of these bearings' load capacity centers around their contact angle (α), which serves as a critical design parameter that significantly influences their axial load-handling capabilities. In configurations typically available with contact angles of 15°, 25°, and 40°, these bearings demonstrate varying degrees of axial load capacity, with larger contact angles generally resulting in enhanced axial load handling capabilities. This relationship between contact angle and load capacity is particularly crucial in applications where precise load management is essential for optimal equipment performance. The design philosophy behind these varying contact angles stems from the need to accommodate different load combinations in industrial applications, where the ratio between axial and radial loads can vary significantly depending on the specific use case.
The internal geometry of these bearings plays an equally crucial role in determining their load capacity. The size and number of balls used in the bearing assembly directly impact its load distribution characteristics and overall performance capabilities. Larger balls generally provide higher load capacity but may result in increased friction and heat generation, necessitating careful consideration during the selection process. The raceway geometry, including its curvature and surface finish, significantly influences the bearing's ability to maintain proper ball control and load distribution under various operating conditions. The material composition of both the balls and raceways, typically utilizing high-grade bearing steels such as GCr15, GCr15SiMn, or G20Cr2Ni4A, contributes substantially to the bearing's load-bearing capabilities through their superior mechanical properties and wear resistance characteristics.
Operating conditions, including speed, temperature, and lubrication, form another critical aspect that affects the practical load capacity of angular contact ball bearings. High-speed operations require careful consideration of centrifugal forces and their impact on ball dynamics, while temperature variations can affect material properties and internal clearances. The lubrication regime, whether boundary, mixed, or full-film, significantly influences the bearing's ability to maintain its theoretical load capacity in practical applications. The selection of appropriate lubricants and lubrication methods becomes particularly critical in high-load applications where improper lubrication can lead to premature bearing failure despite the bearing's theoretical capacity being within acceptable limits.

How do cage designs impact bearing performance in high-speed applications?
The cage design in angular contact ball bearings represents a critical engineering consideration that significantly influences their performance characteristics, particularly in high-speed industrial applications. Traditional metal solid cages, while offering robust performance in standard applications, face limitations in high-speed scenarios where dynamic forces and thermal management become increasingly critical. The evolution of cage design has led to the development of phenolic cloth laminated tube solid cages, which represent a significant advancement in bearing technology for high-speed applications. These specialized cages demonstrate superior performance characteristics up to temperatures of 120°C, offering a combination of mechanical strength, thermal stability, and reduced friction that makes them particularly suitable for demanding high-speed operations. The material properties of phenolic cloth laminated cages, including their inherent porosity and surface characteristics, contribute to enhanced oil retention capabilities, which is crucial for maintaining adequate lubrication under high-speed conditions.
The impact of cage design extends beyond mere structural considerations to encompass complex interactions between the cage, balls, and raceways under dynamic conditions. The cage's geometry and material properties influence ball spacing and guidance, affecting the bearing's overall stability and performance at high speeds. The reduced mass of phenolic cages compared to metal alternatives results in lower inertial forces during operation, contributing to improved efficiency and reduced heat generation. The cage's ability to maintain proper ball spacing while minimizing friction becomes particularly critical in applications where speed variations and dynamic loads are common. The design of cage pockets and their interaction with the balls plays a crucial role in maintaining stable operation and proper lubrication distribution throughout the bearing assembly.
Maintenance considerations and long-term reliability are significantly influenced by cage design choices, particularly in industrial applications where continuous operation is essential. The wear characteristics of different cage materials and designs directly impact maintenance intervals and Angular Contact Ball Bearing lifespan. Phenolic cages typically demonstrate superior wear resistance and noise reduction properties compared to metal alternatives, contributing to improved overall system performance and reduced maintenance requirements. The cage's role in lubricant distribution and retention becomes particularly important in applications where traditional lubrication methods may be challenged by high speeds or operating conditions. The ability of modern cage designs to facilitate proper lubrication while maintaining structural integrity under high-speed conditions represents a significant advancement in bearing technology.
What size considerations are crucial for industrial application selection?
The selection of appropriate bearing sizes for industrial applications involves a comprehensive analysis of various dimensional parameters and their interaction with application requirements. The available size range, spanning inner diameters from 150mm to 1250mm and outer diameters from 190mm to 1750mm, with weights ranging from 1.32kg to 1600kg, provides extensive options for different industrial applications. The selection process must consider not only the basic dimensional requirements but also the complex interplay between size parameters and performance characteristics. Proper size selection impacts installation procedures, maintenance requirements, and overall system performance, making it a critical factor in the design and implementation of industrial machinery. The relationship between bearing size and load capacity must be carefully evaluated to ensure optimal performance while maintaining system efficiency and reliability.
The material considerations in bearing size selection extend beyond basic dimensional requirements to encompass the mechanical properties and performance characteristics of different material compositions. The use of high-grade bearing steels such as GCr15, GCr15SiMn, and G20Cr2Ni4A provides various options for different application requirements, each offering specific advantages in terms of wear resistance, fatigue life, and thermal stability. The selection of appropriate materials becomes particularly critical in large-size bearings where structural integrity and dimensional stability under load are essential for proper operation. The interaction between material properties and Angular Contact Ball Bearing size affects both the initial selection process and long-term performance considerations, including maintenance requirements and expected service life.
Installation and maintenance considerations for different bearing sizes require careful attention to various technical aspects, including mounting procedures, alignment requirements, and lubrication systems. Larger bearings often require specialized installation procedures and handling equipment, while smaller sizes may focus more on precision and accuracy in mounting. The relationship between bearing size and system requirements extends to considerations of space constraints, accessibility for maintenance, and integration with existing machinery. The selection process must account for both immediate installation requirements and long-term operational considerations, including the ability to perform regular maintenance and monitoring of bearing condition throughout its service life.
With many successful collaborations domestically and internationally, we invite you to learn more about our products by contacting CHG at sale@chg-bearing.com or calling our hotline at +86-0379-65793878.
References:
1. SKF Bearing Installation and Maintenance Guide (2023)
2. ISO 492:2014 Rolling bearings — Radial bearings — Geometrical product specifications (GPS) and tolerance values
3. ASTM International Standards for Rolling Element Bearings (2022)
4. Journal of Mechanical Engineering Science: "Advanced Materials in Rolling Bearing Technology" (2023)
5. International Journal of Mechanical Engineering: "Analysis of Contact Angle Effects in Angular Contact Ball Bearings" (2024)

