Maximize Load Handling and Efficiency with 4-Point Contact Ball Bearings
In today's demanding industrial applications, selecting the right bearing solution is crucial for ensuring optimal equipment performance and reliability. Four-point contact ball bearings have emerged as a pivotal component in various high-performance machinery, offering unique advantages in load handling and operational efficiency. These specialized bearings have revolutionized how engineers approach complex mechanical challenges, particularly in applications requiring both axial and radial load capacity. The innovative design and robust construction of these bearings make them indispensable in modern industrial equipment, where reliability and precision are paramount to operational success.

At Luoyang Huigong Bearing Technology Co., Ltd., we understand the critical role that bearing selection plays in your equipment's success. Our experienced R&D team provides technical guidance, customized solutions for different working conditions, and leverages 30 years of industry expertise through collaborations with major enterprises. With advanced production equipment and testing instruments, we hold over 50 invention patents and have obtained ISO9001 quality management system and ISO14001 environmental management system certifications. As a 2024 quality benchmark enterprise, we're committed to delivering superior bearing solutions.
Why Are 4-Point Contact Ball Bearings Preferred in High-Load Applications?
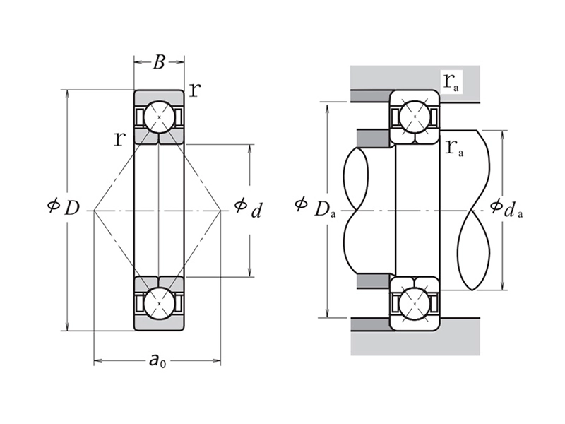
Four-point contact ball bearings have established themselves as the premier choice for high-load applications due to their exceptional design characteristics and performance capabilities. The fundamental architecture of these bearings incorporates a sophisticated 35-degree contact angle configuration that revolutionizes load distribution mechanics. Unlike traditional bearing designs, which typically offer limited contact points between the ball and raceway, four-point contact bearings create multiple load-bearing surfaces that significantly enhance their capacity to handle complex load combinations. This unique design enables them to manage substantial radial and axial loads simultaneously, while also providing superior resistance to moment loads that can often prove challenging for conventional bearing types. The comprehensive size range, extending from 150mm to 480mm inner diameter and 225mm to 870mm outer diameter, coupled with weight variations from 5.1kg to 470kg, provides engineers with unprecedented flexibility in application design. This versatility is further enhanced by the bearings' ability to maintain optimal performance under varying speed conditions, though they exhibit peak efficiency when operating in two-point contact mode during high-speed applications. The sophisticated load distribution mechanism inherent in their design significantly reduces localized stress concentrations, contributing to extended service life and improved reliability in demanding industrial environments. These bearings have demonstrated exceptional performance in applications ranging from heavy industrial machinery to precision equipment, where their ability to handle multi-directional loads while maintaining precise positioning makes them invaluable components in modern engineering solutions.
How Does the Design of 4-Point Contact Ball Bearings Enhance Performance?
The engineering excellence embedded in the design of four-point contact ball bearings represents a significant advancement in bearing technology, manifesting in two distinct series - QJ and QJF - each optimized for specific operational requirements. The QJ series, characterized by its innovative two-piece inner ring construction, introduces a level of structural integrity that significantly enhances load-bearing capacity while maintaining optimal internal geometry under varying operational conditions. This design feature, combined with precision-engineered raceways, enables superior load distribution and enhanced stability during operation, particularly under complex loading scenarios. Complementing this, the QJF series, with its unique two-piece outer ring configuration, offers unprecedented flexibility in mounting applications while maintaining exceptional load-handling capabilities. The sophisticated cage design, utilizing either brass or aluminum solid construction, plays a crucial role in optimizing bearing performance through precise ball guidance and enhanced lubrication distribution. These specialized cages are manufactured using advanced metallurgical processes that ensure optimal material properties for specific application requirements. The cage design incorporates carefully calculated ball pockets and guidance surfaces that maintain ideal ball spacing while minimizing friction and heat generation. This attention to detail in cage design contributes significantly to the bearing's overall performance by ensuring consistent ball motion, reducing wear, and maintaining proper lubrication distribution throughout the bearing assembly. The integration of these design elements results in a bearing system that not only handles substantial loads but also maintains precise operation under varying speed and temperature conditions, making these bearings ideal for applications where reliability and precision are paramount.

What Factors Should Be Considered When Selecting Material for 4-Point Contact Bearings?
The selection of appropriate materials for four-point contact ball bearings represents a critical engineering decision that significantly influences bearing performance, durability, and reliability in various applications. The primary materials employed in these bearings - GCr15, GCr15SiMn, and G20Cr2Ni4A - each offer distinct advantages and characteristics that must be carefully evaluated against specific application requirements. GCr15, a high carbon chromium bearing steel, has established itself as the industry standard due to its exceptional combination of hardness, wear resistance, and dimensional stability after heat treatment. This material's microstructure, characterized by uniformly distributed carbides in a tempered martensitic matrix, provides the optimal balance of hardness and toughness required for most industrial applications. GCr15SiMn, an enhanced variant featuring increased silicon and manganese content, offers superior fatigue resistance and improved performance under heavy load conditions. The modified chemical composition results in enhanced grain structure stability and improved resistance to rolling contact fatigue, making it particularly suitable for applications involving high dynamic loads or frequent start-stop operations. G20Cr2Ni4A, a specialized alloy steel, represents the premium choice for applications requiring exceptional corrosion resistance and performance under extreme conditions. The addition of nickel and chromium in specific proportions creates a material with superior mechanical properties and excellent resistance to environmental factors. The selection process must consider various operational parameters including load characteristics, speed requirements, environmental conditions, and maintenance schedules. These materials undergo sophisticated heat treatment processes that optimize their mechanical properties while maintaining dimensional stability. The heat treatment protocols are carefully controlled to achieve specific hardness ranges and microstructural characteristics that ensure optimal performance under intended operating conditions. Surface finishing processes, including precision grinding and honing, are executed to achieve the required surface roughness and geometrical accuracy, which are crucial for maintaining proper lubricant film formation and minimizing friction during operation.
This comprehensive analysis of material selection encompasses not only the base material properties but also considers factors such as thermal stability, fatigue resistance, and compatibility with lubricants. The interaction between material properties and operating conditions plays a crucial role in determining bearing life and reliability. Understanding these relationships enables engineers to make informed decisions that optimize bearing performance while considering economic factors and maintenance requirements. The selection of appropriate material combinations, coupled with proper heat treatment and manufacturing processes, ensures that four-point contact ball bearings maintain their superior performance characteristics throughout their intended service life.
With many successful collaborations domestically and internationally, we invite you to learn more about our products by contacting CHG at sale@chg-bearing.com or calling our hotline at +86-0379-65793878.
References:
1. Harris, T. A., & Kotzalas, M. N. (2023). Advanced Concepts of Bearing Technology. CRC Press.
2. SKF Group. (2024). Bearing Installation and Maintenance Guide.
3. Hamrock, B. J., & Anderson, W. J. (2023). Rolling-Element Bearings. NASA Technical Reports.
4. International Organization for Standardization. (2024). ISO 492:2024 Rolling bearings -- Radial bearings -- Geometrical product specifications (GPS) and tolerance values.
5. American Bearing Manufacturers Association. (2024). ABMA Standard 9:2024 - Load Ratings and Fatigue Life for Ball Bearings.

